作者:vivo 互联网服务器团队- Li Gang
本文介绍了游戏业务使用MAT和GC日志等工具对 Full GC频率进行优化的过程。
一、背景


游戏业务面对用户端的某个工程,每天Full GC频率达到120次,业务高峰期每7分钟就会有一次Full GC。为了避免情况持续变差,最大程度减少对系统响应时间的负面影响,需要对该工程的Full GC频率进行优化。
该项目JDK版本为1.8,老年代使用CMS作为垃圾回收器,优化前的部分启动参数如下:
-Xms4608M -Xmx4608M -Xmn2048M -XX:MetaspaceSize=320M -XX:+UseConcMarkSweepGC -XX:CMSInitiatingOccupancyFraction=92 -XX:+UseCMSInitiatingOccupancyOnly
二、工具介绍
在本次优化过程中,我们主要使用了MAT和GC日志作为排查工具。MAT是一个功能强大的内存分析工具,而GC日志则用于记录Java虚拟机中的垃圾回收行为和内存情况。这两者结合起来,能够帮助开发人员深入分析程序的内存使用情况,并进行相应的优化。下文将详细的介绍这两种工具的使用方法,以及对应的优化案例。
2.1 MAT(Memory Analyzer Tool)

Eclipse Memory Analyzer Tool(MAT)是一个开源的Java堆转储分析工具。它旨在帮助开发人员识别和消除Java堆中的内存泄漏和优化内存使用。MAT允许用户分析Java堆转储文件,识别对象的内存占用情况,查找潜在的内存泄漏和冗余对象,以便执行一些内存优化。
使用MAT打开dump文件后,首先进入的是上图页面,此页面会显示dump包的缩略概览信息,包括堆大小,类数量,对象数量等信息。其中的Biggest Objects By Retained Size和Leak Suspects在问题明显时会比较有用,但对相对复杂的问题来说帮助不大。笔者比较常用的是下面这几个功能,下文将依次介绍:

2.1.1 Dominator Tree

(1)功能
展示对象的支配关系。对象A支配对象B代表从GC Root(也不一定是GC ROOT,也可以是unreachable的起点)达到对象B的所有路径都必须经过对象A,这也意味着对象A被垃圾回收后,对象B也会被回收。
这个功能相较于下面的Histogram更强调对象的引用关系,此外还可以通过Group By Class/Group By Package/Group By ClassLoader来进一步的聚合对象。

MAT的各种图标中会频繁的出现Shallow Heap Size和Retained Heap Size这两个名词,其含义如下:
Shallow Heap Size:这个对象自身在堆中的大小
Retained Heap Size:这个对象被垃圾回收后会释放的堆内存大小

上图中,情况1里对象A的Retained Heap Size = A的Shallow Heap Size + B的Shallow Heap Size +C的Shallow Heap Size,情况2里对象A的Retained Heap Size = A的Shallow Heap Size + B的Shallow Heap Size。
(2)使用方法
①上图为Group By Class的dominator tree。刚打开dominator tree时默认是不进行group的,此时可以排查单个大对象,排查完单个大对象后,需要将对象Group一下才能进行下一步的排查。
② 从上图可以看出,这个堆内的对象内存占用比较分散,说明导致问题的原因可能不止一个,这种情况下只能结合自身业务逐个排查内存占用排在前面的对象。
③ 对这些可疑的对象,右键类,选择List objects → with outgoing references展开对象列表,查看这类对象具体存了什么,判断这些对象的值是否可以再分类。
④ 根据对象的值,判断对象的业务含义,确定是哪段代码创建的对象。
⑤ 结合代码,思考这类对象是在新生代还是老年代,如果能确定都在新生代,那这些对象一般不会导致老年代快速增长。
⑥如果在老年代,需要确定其是怎么从新生代晋升的,内存占用是否有上限,上限是多少,一般多长时间能达到上限,再确定有没有问题。
2.1.2 Histogram

功能
histogram可以显示出各类对象的Shallow Heap Size和Retained Heap Size,Retained Heap Size默认不展示,需要点击菜单栏的Calculate Retained Size进行计算,堆较大时计算耗时较长。
这张表一般和Dominator Tree结合使用,我们能看到char[]占用了较大的内存,但由于Dominator Tree里聚合好的char[]都是顶层支配者,上层不会再有引用,有时无法直接确定这些对象曾经被谁持有过,这时可以通过Histogram查看同类对象,找到相似的并且reachable的对象来确定这类对象是谁创建的。但是这一步其实可以通过oql解决,所以这张表在排查过程中的使用率其实没有Histogram高。
2.1.3 OQL
功能
MAT提供的一种类似SQL的查询语句,可以对对象进行过滤。这篇官方文章里给了很多查询语句样例:https://wiki.eclipse.org/MemoryAnalyzer/OQL,这里就简单列一些笔者排查过程中用过的语句,不再赘述:
// 字符串模糊匹配SELECT * FROM char[] b where toString(b) LIKE ".*traceId.*"// 查找地址>0x700000000的对象SELECT * FROM java.lang.Object t WHERE toHex(t.@objectAddress) >= "0x700000000"// 查找长度等于73并且retained heap size>1000B 的对象SELECT * FROM java.lang.Object[] a where a.@length=73 and a.@retainedHeapSize>1000// 查找长度等于65536并且上层有引用的对象SELECT * FROM char[] a where a.@length=65536 and (inbounds(a).size()>0)
2.2 GC日志
GC日志是记录Java虚拟机中垃圾回收活动的日志文件。在GC日志中,可以看到包括垃圾回收的时间、类型(如新生代GC、老年代GC等)、回收周期、回收停顿时间、回收前后堆的使用情况等信息。GC日志打印的信息可以通过以下启动项控制:

彩蛋提醒
我们为大家准备了抽奖福利,请继续阅读下去。
三、 案例介绍
在这篇文章中,我们将聚焦于一些具体的案例,涉及到大量被Dubbo的FutureAdapter引用的对象、Jackson的BufferRecycler导致的大量char[65536]以及对象晋升年龄阈值过小等问题。通过这些案例,我们将探讨这些具体问题的引起原因以及解决方案。
3.1 大量被Dubbo的FutureAdapter引用的对象
(1)分析过程

从上图中,我们可以看到dubbo FutureAdapter占用了230M左右的内存,前面的PSWMS对象虽然也占用了230M左右的内存,但这是业务使用的本地缓存相关对象,其内存占用是在预期范围内的,因此优先分析FutureAdapter。先右键List objects→with outgoing references展开对象列表。

发现其中有大量大小几乎一致的FutureAdapter,一个占用内存328KB左右,大小和内容几乎一致的对象约有550多个,总共占用内存200M左右。

FutureAdapter被用来执行Dubbo的异步调用,项目使用的dubbo版本为2.7.18。dubbo的同步调用本质上是一个异步转同步的过程,发起异步调用将CompletableFuture对象放到ThreadLocal的FutureContext里,然后立刻调用CompletableFuture.get方法阻塞获取返回值,获取到返回值后,dubbo不会主动清理FutureContext,因此该线程的ThreadLocal里会有一条FutureContext→ FutureAdapter→Result的引用,如下图:

然而,那550多个FutureAdapter均为不可达对象,意味着其不被ThreadLocal引用,在下次GC时会被回收,不过我们无法直接确定这些对象是在老年代还是新生代,有可能这些对象都在新生代,下次young gc时就会被回收,不会晋升到老年代,更不会导致老年代增长。
但由于这个列表里的数据有明确的业务含义,可以找到对应的业务接口,此接口单机峰值qps约为2,响应时间约100ms,每被调用一次,就会创建一个该对象列表,此时该机器的young gc频率约为10s一次。假设这些对象都在新生代没有晋升老年代,那么这些对象在新生代最大的存活数量约为((接口响应时间 + 两次young gc间隔) * 对象创建速度) = (0.1s + 10s) * 2 ≈ 20,而堆里有550多个,如果这些对象没有晋升到老年代的话数量上对不上,所以可以推测出这些对象在老年代里,需要等下次Full GC时才会被回收。
那么这些不可达的FutureAdapter为什么会在老年代?每次执行dubbo调用,dubbo都会用这次调用的FutureAdapter替换掉上次调用时存在FutureContext里的FutureAdapter,上次调用的FutureAdapter不再被GC Root引用,在下次GC时被回收。当一个线程相对频繁的执行dubbo调用时,FutureAdapter会被young gc回收,不会晋升到老年代。但在本例中,该dubbo调用被放到了corePoolSize=150,maxPoolSize=500的业务通用线程池中执行,该线程池会执行其他不需要调用dubbo服务的任务,并且该线程池的使用率并不高,这就意味着一个线程调用完dubbo服务后可能要过一段时间才能执行下一次dubbo调用。
由于这个原因导致FutureAdapter被放入ThreadLocal后,在新生代停留过长时间,最终晋升到老年代,这个"过长时间"对于此项目来说是6次young gc的间隔时长,这个时长的获取方法会在后续说明。
(2)解决方案
对于此业务来说,这个dubbo调用可以改为查询本地缓存,直接解决了问题。除此之外还有其他解决方案,需要结合自身业务选择合适的方案。
直接使用dubbo的异步调用,而不是在上层再创建一个线程池来进行调用。
合理设置线程池的大小,提高线程的利用率。
写一个Dubbo Filter,每次同步调用完后清理FutureContext(影响面可能较大,需自行评估风险)。
3.2. Jackson的BufferRecycler导致的大量char[65536]
(1)分析过程
从dominator tree中我们能看到char[]也占用了相当大的一部分内存,展开char[],发现其中包含大量的char[65536],使用oql统计得知不被gc root引用的有1600个,占用内存200M左右,被gc root引用的有500个,这种char[65536]里存储的数据均为http接口返回值反序列化后的字符。其被gc root引用时的链路如下,均被ThreadLocal里的BufferRecycler引用:

在Jackson库中,BufferRecycler的主要作用是管理缓冲区的重用,可以减少频繁的内存分配和释放,从而降低垃圾回收的负担,提高性能。但从堆上看,这些char数组里不可达的数量远大于可达的数量(1600:500),说明其复用率并不高,与其设计的目标不符,需要查看源码才能搞清原因。
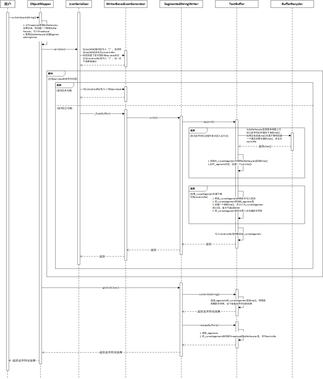
项目使用jackson的ObjectMapper.
writeValueAsString()方法对http接口返回值进行了反序列化,使用的Jackson版本为2.10,该方法完整的执行流程如下图:

简单来说,jackson在反序列化时,会将反序列化的结果存储在多段char[]里,每当最后一个char[]空间不够存放结果时,就新建一个char[],大小为最后使用的char[]的1.5倍,但不超过65536,反序列化结束后将char[]列表拼接起来就得到了结果,然后线程会将最后使用的那个char[]存放到ThreadLocal。此线程下次反序列化时,会从ThreadLocal取出这个char[]进行复用。这样的一个复用逻辑会有一个问题,参考下图:

图中,_segements是当前反序列化使用过的char[]列表,currentSegement是当前正在使用的char[]。一个char[]的大小最大为65536。在第二次反序列化大对象时至少会创建一个新的大小为65536的char[](上一次的char[]是65536,再创建一个新char[]其大小仍不能超过65536)。可以看到在第一次反序列化结束后和第二次反序列化结束后,虽然ThreadLocal里存放的char[]大小都是65536,但其实它们已经不是同一个对象了。这样的一个替换是没有必要的,完全可以一直复用同一个char[]。
当业务所有http接口的返回值都大且流量也大时,每次保存在ThreadLocal里的char[65536]虽然会在下次反序列化结束时被替换导致其失去引用,但由于其在新生代只存活了一次接口请求的时间,所以不会晋升到老年代,可以被young gc回收。但是我们项目用来处理http请求的线程池都是同一个,这些接口的返回值只有一部分超过了65536,在小于的时候ThreadLocal里的char[]不会被替换,当这个char[]在ThreadLocal里停留一段时间后,就会晋升到老年代,从而导致老年代内存增长。
(2)解决方案
关闭Jackson的USE_THREAD_LOCAL_
FOR_BUFFER_RECYCLING,关闭该开关会在每次反序列化时创建一个BufferRecycler,而不是复用ThreadLocal里的BufferRecycler,这样可能导致young gc频率提高。
升级Jackson版本,请参考此issue,2.17版本的jackson在调用releaseByteBuffer时会避免较小或者相同大小的char数组替换原有数组。
由于项目使用的jackson版本是2.10,直接升级到2.17的版本跨度较大,可能带来不必要的风险,因此采用了方案1,上线后,young gc频率没有明显增加。方案2的issue里有提到使用2.16版本引入的RecyclerPool代替基于ThreadLocal的实现,这也是解决方案之一。
3.3 对象晋升年龄阈值过小
(1)背景知识
java对象从新生代晋升到老年代有多种原因,在本项目中,对象的主要晋升原因是在新生代长期存活,这个长期具体是多久有以下两个判断条件:
对象晋升年龄阈值:
可通过-XX:MaxTenuringThreshold启动项进行配置,对于CMS,默认值是6。此参数定义了对象在年轻代存活的最大年龄,如果一个对象在年轻代经过N次GC后依然存活,它将会被晋升到老年代。
动态年龄判定:
在survivor区中小于或等于某年龄的的所有对象大小的总和大于survivor空间的一定比例时,大于或等于该年龄的对象就直接进入老年代,这个比例可以通过-XX:TargetSurvivorRatio启动项控制,默认值为50,代表50%。
一个对象的年龄满足上述两个条件之一时,就会晋升到老年代,具体的晋升年龄可以通过在启动项里添加-XX:+PrintTenuringDistribution获取,添加该参数后的gc日志如下图:

其中区域2的(max 6)代表-XX:MaxTenuringThreshold启动项配置的值,也就是说对象到达这个年龄一定会晋升,而new threshold 6代表对象实际晋升的年龄,上图代表这次young gc因对象到达年龄阈值会导致9946864 bytes的对象晋升。
区域1代表动态年龄判定所需的空间大小,也就是(survivor空间大小 x targetSurvivotRatio)。此项目堆的单个survivor空间为200M,所以只要在survivor区中小于或等于某年龄的所有对象大小的总和大于200Mx50%,大于或等于该年龄的对象就会晋升,。
而下图的对象是因为动态年龄判定才晋升的,这次young gc因动态年龄判定会导致38660424 bytes的对象晋升:

(2)分析过程
优化前+调参前:
在进行dubbo和jackson以及其他业务代码上的优化前,我们保存了当时的gc日志,可以看到大部分对象都是因为年龄到达6晋升的,每次young gc约有10M~16M左右的对象晋升,显然对象的晋升年龄阈值太小,需要调大。

优化后+调参前:
在调整 JVM 参数之前,我们决定先着手进行业务上的优化。因为直接进行参数调整可能会治标不治本,无法消除潜在的隐患。在完成业务代码上的优化后,可以看到此时由于年龄达到6这一阈值晋升的对象大小从最开始的10M~16M降为了4M以下,意味着在新生代长期存活的对象数量明显减少了,但仍然有优化空间。

(3)解决方案
在完成业务代码上的优化后,我们对 JVM 参数进行了调整。将-XX:MaxTenuringThreshold参数改为15,-XX:TargetSurvivorRatio改为75%(实际上,通过调参后的gc日志我们能确定对于这个项目来说,50%也已经够用,因为年龄1到15的对象占用的总内存只有38M左右,远远小于单个survivor空间的50%),以延长对象在新生代的存活时间。我们可以观察到,尽管会有一些对象存活到年龄15的阈值才晋升,但是这部分对象的总大小变小了,大部分情况下都是小于2M。这部分对象通过添加监控的方式判断大概率是被移除(大小不足被淘汰,过期等原因)的caffeine本地缓存。

在经过上述一系列优化措施以及一些其他问题的修复后,该工程的 Full GC 频率从最初的每天 120 次,总耗时 1 分钟到 1.5 分钟,成功降低到每天约 30 次左右,总耗时控制在 15 秒到 25 秒之间。
① GC次数优化曲线


② GC总耗时优化曲线


总的来说,进行GC优化时,可以使用以下工具分析当前内存/GC情况:
先用jamp生成dump文件,再使用MAT进行分析,找到可能引发问题的对象。
使用内存分配火焰图找到哪些代码在频繁的分配内存。
使用GC日志分析GC情况,了解GC频率/触发GC的原因等信息。
使用这些工具找到问题后,可以修改对应的业务代码或者调整JVM相关参数,以优化Full GC频率。
END

猜你喜欢




