准备页表
内存怎么虚拟化,历史上经历了分应用 -> 应用的具体段 -> 两种方法结合 -> 最后因为内、外内存碎片的原因我们采用了页表算法,实际上,x86的64位模式甚至不再支持分段,而是使用分页,这完全避免了碎片问题。因为页一般大小相同所以外碎片很少,页相对很小内碎片可以忽略不计。问题变成
缩小页表占用的空间
访问内存的速度
所谓虚拟化内存就是虚拟内存,好像什么也没说,在访问内存前经过映射关系的一次变换,那映射关系就要保存起来。每一个应用的映射关系保存在内存中,这个数据结构就是页表,每一个映射关系是一个页表项。
这些映射是内核做的,内核同时也是一个“应用”,也访问的是虚拟地址,好像套娃。。比如访问 0x1234 其实有一个映射是 0x1234 -> 0x4321 ,实际的内存地址其实是 0x4321 ,而这个映射就在这个应用的页表里,这个映射是其中一个页表项。

一个页现代操作系统都是 4k ,也就是说映射是以 4k 为单位的,后 12 位(4k 等于 2 的 12 次方)是偏移。前面的位数组成虚拟页号和物理页号,risc-v 有 39 和 48 两种标准,我们选择前者,也就是 虚拟页号有 39 - 12 = 27 位,也就是需要 2 的 27 方个映射关系。

一个映射关系叫页表项 8 字节,2 的 27 方个 8 字节很大。。所以我们采用多级页表的机制来减少内存,这样没使用的映射关系就不用分配物理内存。

减少体积
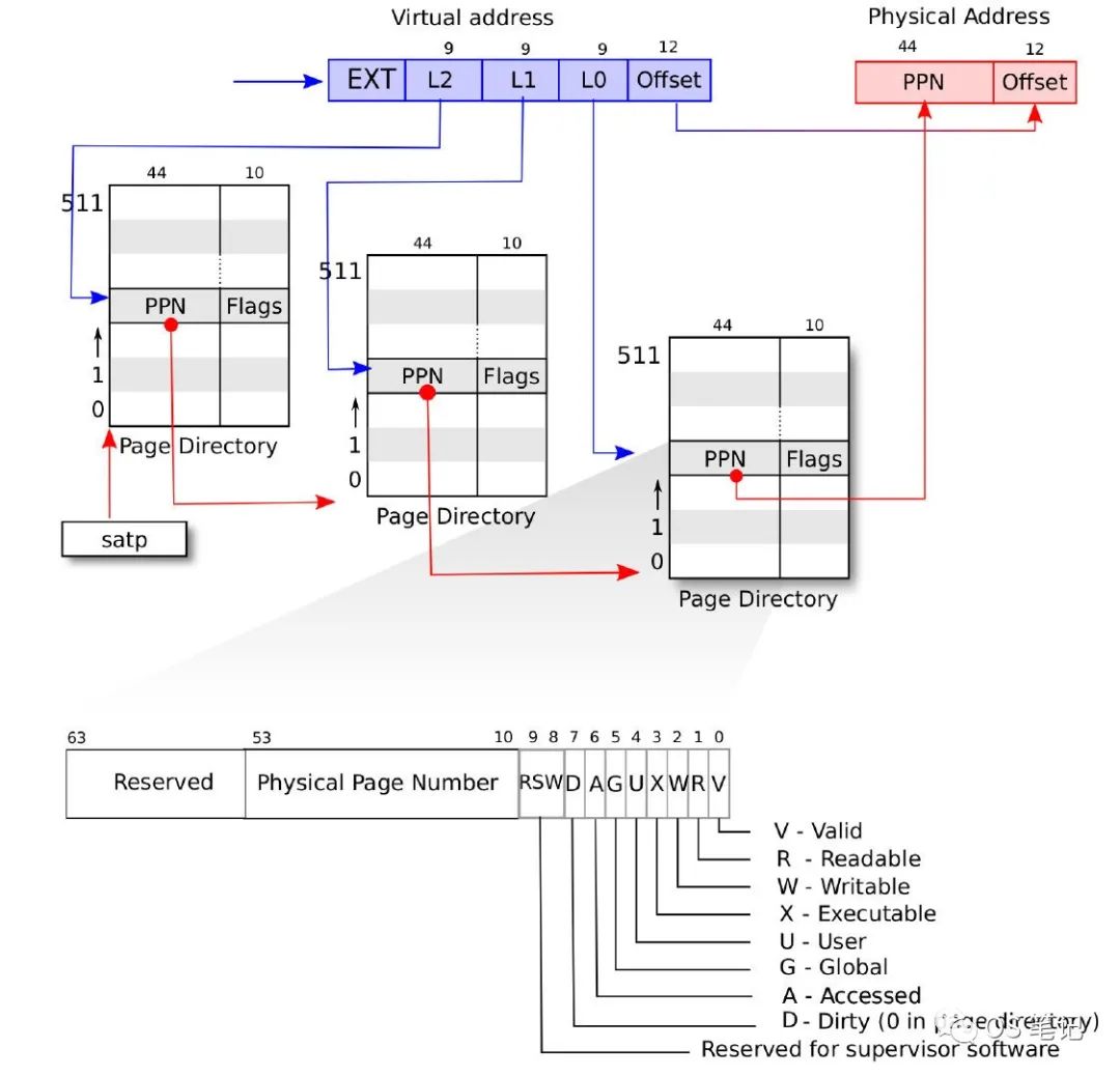
上图是多级页表的工作方式,risc-v 三级页表如上图,虚拟内存的地址是 39 位
最后 12 位是偏移量
头 27 位分成 3 部分,每 9 位为 512,其实是一个页 (4K) 的偏移 (每个页表项 8 字节 8 *512 = 4096 为 4K 正好是一个页)。
每个页表项中有下一个物理页号,物理页偏移(还记得之前的 9 位)后,指向一个页表项。以此类推,最后一个页表项里的物理页号就是这个虚拟页号映射的物理页号,物理页号再加 12 位偏移量,就是物理地址。
加速
首先,上述操作都是硬件完成的,操作系统只是负责建立映射,因为页表是在内存上的,访问一个物理地址也需要 4 次内存操作
这就需要 TLB ,其实 TLB 就是一种 cache ,保存映射关系在 TLB 中,又因为程序通常符合局部性原理,所以一般多次访问可以复用 TLB 。
具体代码请参考 https://github.com/buhe/bugu/tree/6
页表本身是不受 mmu 管的,也就是不进行虚拟到物理映射,本身只是物理地址指定的。硬件访问它用物理地址。
图片来自 https://rcore-os.github.io/rCore-Tutorial-Book-v3/




