概述
建设原则
机房的设计满足当前各项需求应用,又面向未来快速增长的发展需求,因此是高质量、高安全、可靠灵活的、开放的。我们在进行设计时,遵循了以下几条原则:
o 高可靠
为保证各项业务应用,网络必须具有高可靠性,决不能出现单点故障。要对机房布局、结构设计、设备选型、日常维护等各个方面进行高可靠性的设计和建设。在关键设备采用硬件备份、冗余等可靠技术的基础上,采用相关软件技术提供较强的管理机制、控制手段和事故监控与安全保密技术措施提高整个网络的安全性。
o 可运营
采用先进的技术和设备,满足当前的需求,兼顾未来的业务需求,尽可能采用最先进的技术、设备和材料,以适应高速的数据传输需要,使整个系统在一段时期内保持技术的先进性,并具有良好的发展潜力,以适应未来信息产业业务的发展和技术升级的需求。
o 可扩展
系统设计应在满足现阶段应用需要的情况下,应充分考虑分期投资建设或系统扩容;技术发展及应用需求发展而引起系统产品更新换代等各种可能性;满足扩充,升级和更新的要求。
o 低碳环保
由于信息技术的发展,目前机房设备越来越集中,功耗也越来越大,绿色节能对新一代的机房建设显得尤为突出。机房作为设备及人员室内环境,更应充分体现环境保护的意识,加强环保措施,采用绿色材料,提高抗电磁干扰能力,降低功耗,提高效率,节约运行成本,将其建设为现代化数据中心的典范。
o 标准化、开放性
标准化、开放性是现代技术发展及应用必要的基础;因此,设计中应遵循国际标准和国家颁布的有关标准,包括各种建筑、机房设计标准,电力电气保障标准,空调、消防设计标准以及计算机局域网、广域网标准,坚持统一规范的原则,以保障投资者的长远利益并便于日后的使用和维护。其中应用软件亦应采用商品化的通用软件,减少二次开发的工作量及投资。
o 方便易用
工程的建设,是以满足人们的应用需要为目的;所以必须考虑便利于以不同文化层次、各种年龄的用户使用要求;系统及功能的配置以能够为用户提供方便、实用、舒适为基准,其使用应简便易学;并便于日后的维护及管理。
o 可管理
随着业务的不断发展,管理任务必定会日益繁重。在机房的设计中,必须建立一套全面、完善的机房管理和监控系统。所选用的设备应具有智能化,可管理功能,同时采用先进的管理监控系统设备及软件,实现集中管理监控、实时监控、监测设备运行状况,实时灯光、语音报警、实时事件记录,简化机房管理人员的维护工作,从而为机房安全、可靠运行提供最有力的保障。
编制依据
o 《数据中心设计规范》(GB50174-2017);
o 《电子计算机场地通用规范》(GB/T2887-2000);
o 《计算站场地安全要求》GB9361-88;
o 《计算站场地技术条件》(GB2887-89);
o 《计算机机房用活动地板技术条件》GB6650-86;
o 《防静电活动地板通用规范》(SJ/T10796-2001);
o 《通风与空调工程施工及验收规范》(GB50243-97);
o 《高层民用建筑设计防火规范》(GB50045-95);
o 《火灾自动报警系统设计规范》(GB50116-98);
o 《火灾自动报警系统施工及验收规范》(GB50166—92);
o 《建筑内部装修设计防火规范》(GB50222-95);
o 《供配电系统设计规范》(GB50052);
o 《低压配电设计规范》(GB50054-95);
o 《工业与民用供电系统设计规范》(GBJ52-82);
o 《低压配电装置及线路设计规范》(GBJ54-83);
o 《建筑电气工程施工质量验收规范》(GB50303-2002);
o 《建筑物电子信息系统防雷技术规范》(GB50343-2004);
o 《建筑物防雷设计规范》(GB50057-94);
o 《建筑与建筑群综合布线系统工程设计规范》(GB/T50311-2000);
o 《建筑与建筑群综合布线系统工程施工及验收规范》(GB/T50312-2000);
o 《智能建筑设计标准》GB/T50314—2006;
o 《安全防范工程程序与要求》(GA/T75-94) ;
o 《安全防范系统验收规则》(GA/308-2001);
o 《建筑采光设计规范》(GB/T50033-2001);
o 中华人民共和国公共安全行业标准(GA/T70-94)(GA/T74-94);
o 中华人民共和国通信行业标准 通信用不间断电源——UPS;
o Uptime Tier Classification;
o ANSI/TIA-942;
建设方案
建设原则
(1) 从整体考虑各系统的特性,做到合理性和科学化。机房功能区域的划分应考虑人流,物流分开,互不干扰,布局合理,便于管理。
(2) 机器设备通道、人行通道要综合考虑,既要经济实用,又要美观大方。
(3) 机房整体采用冷通道方式,具有合理的气流组织手段。
综合考虑机房的平面结构和项目的应用情况,我们推荐使用 “模块化机房”,能够实现快速部署、灵活扩容、绿色节能、精确管理的优点。
由于平面结构的关系,采用传统机房配置会造成空调利用率不高、制冷效果不好、出现局部热点等问题,因此建议按照模块化机房配置。
一体化数据中心
概述
一体化数据中心是一套完整的机房解决方案。它由不同的功能部件组成一个完整的机房模块,集机架、配电、制冷、监控、管理与维护、安全等系统于一体,实现了供电、制冷和管理组件的无缝集成,并使其智能、高效的运行。
一体化数据中心是“密闭冷热通道”方案。支持水泥地面安装。
一体化数据中心按照一定数量的机柜(包括服务器机柜、综合布线柜、配电列头柜、精密空调)配置。
服务器机柜、配电列头柜、网络机柜的尺寸统一为W×D×H=600mm×1400mm×2000mm,机柜符合19英寸标准,可用空间42U,前后风道。
一体化数据中心配置有应弹门系统,可与精密空调联动,当精密空调故障停机或制冷能力不足后,柜内温度达到设定值时,自动打开机柜前后门,可将外部空气送入通道内,保证通道内气流畅通。
XXX单位一体化机房此次建设的基本需求为:预计负载:12kW;要求采用封闭冷热通道的方式来建设,配置1台主柜,不少于3台的标准服务器机柜,机架式精密空调1台,整体为1拖3的通道架构,布局图如下:

一体化数据中心的特点和优势
灵活扩展 快速应变
一体化数据中心采用模块化设计,可灵活配置,快速适应现场需求。
一体化数据中心在电力供应、通信端口上预留合理的余量,可实现灵活扩容。
绿色高效 节能环保
一体化数据中心采用精密送风和密封冷通道,降低能耗,避免冷热气流的混合,提升电能使用效率。
一体化数据中心提高数据中心的能效,与传统数据中心相比,减少约30%以上的能耗。
安全管理 智能可靠
一体化数据中心遵循GB50174标准,设备安全可靠。
一体化数据中心在设计时充分考虑抵御自然灾害能力,具有可靠的电力、冷量供应,保证通讯网络的正常运行。
一体化数据中心配置完善的监控系统,可随时了解机房环境与动力环境情况,提升机房的预防与监测能力。
随需配置 快速部署
一体化数据中心在规划、设计时严格遵循国际/国内标准,采用模块化设计思路,高度集成,易于安装。
一体化数据中心在出厂前进行机柜的部分预安装,现场只需进行简单组合摆放位置接通水电,固定机柜等简单操作后即可使用。
一体化数据中心采用的是“密闭冷通道”方案。支持水泥地面安装。
一体化数据中心按照一定数量的机柜(包括服务器机柜、UPS电源、综合配电单元、精密空调等)配置。
高度集成
整个解决方案集成了机柜系统、供配电系统、制冷系统及动环监控系统,为客户提供了全面的解决方案。
完备的动环监控系统
智能监控模块配合温湿度传感器、漏水传感器、烟感传感器等,能对设备运行环境做实时监控。同时还能进行视频监控,设备状态监测,并传送数据到互联网进行远程监控。紧急状态下可以发送信号给消防联动设备。保证整个系统安全可靠,高度智能化并可以灵活扩展。
优越的客户互动体验
系统标配10寸彩色智能监控屏,可以在屏幕上获取系统信息和控制设备运行状态。同时也可以通过网络对系统进行实时监控。
供配电系统
建设原则
供配电设备选型应遵循技术先进、经济合理的原则,同时应能满足工程进度要求、运行安全可靠。
配电方案
智能配模块可根据客户需求灵活配置,采取电源输入、输出、电力监制的一体化配电设计,为重要设备提供电力分配、安全保护、参数计量及综合管理。主路可监控;配备 RS485 远程通讯接口,用户可实现远程监测。开关采用国产优质品牌。配电模块可设计为单路输入、输出,机架式安装维护。

配电系统规格
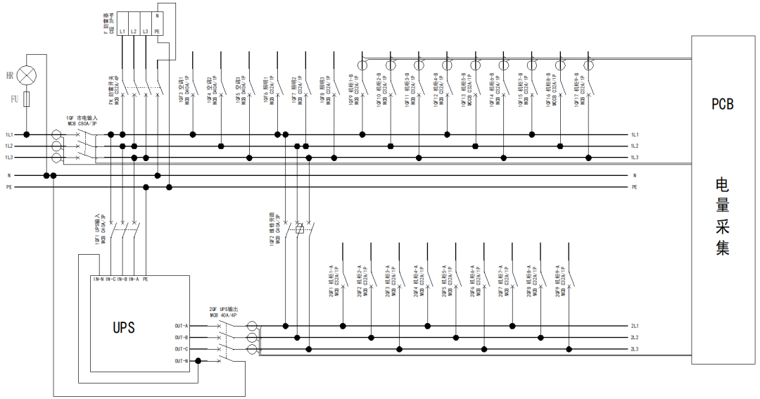
机架式,MCCB单路市电输入(160A/3P),C级防雷;UPS输入(C80A/3P),带锁维护旁路(C80A/3P),UPS输出(C80A/4P),空调及照明配电(4*D40A/3P+3*C32A/1P),IT配电(市电)(15*C32A/1P),IT配电(UPS)(15*C32A/1P);尺寸:(483*500*13U);开关器件选用XX品牌。
本项目采用三相五线制类供电(单回路),分别为市电、UPS和机房动力设备供电,UPS的输出电缆通过配电模块、PDU分别给相关设备供电。
系统接线方式采用TN-S系统;
开关采用塑壳\微断、低压开关;
电线电缆全部采用阻燃系列;
当前每个机柜内至少配置有2个PDU;
每个PDU配置32A总输入,输出13位10A国标插座+3位16A国标插座,带接线盒。
UPS系统
UPS电源容量设计
根据电源专业机房规划及精密空调计算负荷,按照《数据中心设计规范》GB50174-2017要求,综合考虑目前的使用需求,目前机房负载为12kW,配置1台20kVA容量的机架式模块化UPS。
UPS电源介绍
根据本项目的IT设备所需UPS负荷,选用1台20kVA在线式双变换模块化机架式结构设计的UPS能够很好的满足使用需求。其具体技术要求如下:

UPS正面视图
产品简介:RM系列机架式模块化UPS电源产品结合了传统塔式机型的技术特点与现代机房模块化的需求,在实现模块化设计的同时可支持机架是安装方式,保证了系统的高可靠性。
应用范围:广泛应用于政府、金融、通信、教育、交通、气象、广播电视、工商税务、医疗卫生、能源电力等各个行业领域
RM系列模块化UPS电源是业界领先的全数字化电源产品,集中了单进电子与自动控制领域最先进的技术成果,拥有十项专利,使得关键设备的供电可靠性、可用性、可维护性得到了突破性的提高。
RM系列模块化UPS电源结合了传统塔式机型的技术特点与现代机房模块化的需求,在实现模块化设计的同时,保证了系统的高可靠性。此系列产品各项性能指标均达到国际领先水平,拥有极高的性价比,是各行业高可靠供电需求的最佳选择。
RM系列产品提供各种规格功率模块以及机柜系统,用户可根据负载需求进行灵活配置。
N+X冗余模块化设计
系统中每个功率模块均设计为可在线热插拔,方便用户安装、维护以及升级扩容等需求。每个功率模块均为自主控制,无单点故障风险。单个功率模块在出现故障的情况下将自动退出,不影响其他模块的工作以及系统的正常供电。RM系列产品采用人性化的建议操作设计方案,用户可以简单明了地操作以及管理UPS系统。
智能化电池管理方案
每个功率模块内置独立的数字化大功率充电器,充电器功率为功率模块功率的20%。充电器均为DSP数字化控制,保证卓越的电池管理性能。与部分厂家将电池直接挂接于直流母线不同,RM系列模块化UPS电源采用独立的电池放电变换器,大大降低了单组电池数量,同时实现了卓越的充放电管理与控制,极大地延长了电池的使用寿命。
强大的带载能力
RM系列模块化UPS电源拥有卓越的负载适应性能,对于各种类型的线性与非线性负载,均能提供强大的带载能力。每个功率模块以及机柜系统,均能提供媲美任何塔式机型的带载能力,从而保证了此系列产品在各行业的应用范围。
智能化保护方案
RM系列模块化UPS电源的功率模块以及系统均采用硬件与软件双重保护的设计方案。对于功率模块以及系统所可能出现的任何电压、电流、热性能、短路等等异常,均能进行快速有效的保护,从而保证系统的安全性与可靠性。
性能特点:
1、 UPS系统模块化设计,N+X冗余,在线热插拔升级扩容。
2、 超强的负载适应性以及带载能力,超强的电网适应性。
3、 绿色节能电源:整机效率95%,输入功率因数大于0.99,输入电流谐波小于3%。
4、 功率模块配置双DSP控制器,模块独立自主控制,无单点故障风险。
5、 整流、逆变、充电、放电全部实现DSP数字化控制。
6、 全正面维护
7、 主机配置7英寸LCD触摸显示屏,彩色图形显示,操作方便,人机通讯友好
8、 独立充电系统,强大的充电能力,完善的电池管理方案。
9、 全数字化模块并联技术,极佳的环流指标。
10、 可紧靠其他设备安装,节省机房空间。
11、 卓越的发电机匹配性能。
12、 所有电路板均采用三防工艺。
13、 支持安装方式:机架式安装、塔式安装
规格参数表:
表格不好贴,暂时不贴出来了,有需要请关注公众号,找小编索取!
制冷系统
建设原则
空调系统以《采暖通风与空气调节设计规范》GB50019-2003、《数据中心设计规范》GB50174-2017、《数据中心用恒温恒湿空调系统》YD/T2061-2009及《核心机房节能热管理技术规范》QB-H-001-2009 等国家及行业标准规范作为设计依据,总体把握安全可靠、节能环保、经济合理的设计原则,同时兼顾施工方便快捷、维护简便易行。具体工艺及设备设计遵循以下原则:
根据机房的制冷需求,配置相应的空调系统及通风系统。考虑到机房的重要性和运行安全性,综合《电子信息系统机房设计规范》GB20174-2008及《数据中心用恒温恒湿空调系统》YD/T2061-2009中关于空调系统容量配置原则,本工程空调系统冗余备份的设计原则为:机房所需总制冷量采用N+X(X≥1)方式配置。
设备布局与气流组织设计原则:机房设备规划布局以“先冷设备、后冷环境”为指导原则,贯彻“冷热通道独立设置”的要求,机房内划分出间隔的冷热通道。
机柜前段增加密闭组件,实现分隔冷热气流,形成良好的气流组织,提高空调的制冷效率。
封闭系统可以用来隔离热通道(hot aisle)和冷通道(cold aisle),防止热空气和冷空气混合。封闭系统像一个物理屏障一样,将热通道与冷通道分开。封闭冷通道就是对机房的冷通道进行隔离,以便于更好地控制气流,阻止冷热气流的混合,不会导致冷却资源的浪费。本方案为采用隔离冷热通道的方式设计。

室内机

室外机
INCR系列列间精密空调性能特点
1) 列间空调参照大风量、小焓差理念设计,更加符合机房主设备散热特点;
2) INCR列间精密空调采用风机变速设计,压缩机变频设计,具备超高能效比;
3) 高可靠、超长寿命设计:采用高品质知名品牌零部件设计,24小时365天不间断运行设计,设计寿命为10年;
4) 维护方便:100%全正面维护;
5) 配备高效后倾离心直联风机,具备风压调整范围宽的特点,且不需皮带传动,无需例行维护及更换皮带;
6) 无级调速室外风机,配置精密变频调速装置,协助系统运行更加平稳和节能;
7) 标准室外机可适应室外-20℃环境温度,选用低温启动组件可适应室外-40℃环境温度;
8) 可提供适应室外最高温度35℃、40℃、45℃三种室外机配置,可根据现场实际情况灵活配置;
9) 极强的电源适应能力:超宽输入电压适应范围380±15%,具备缺相保护、提示和告警功能;
10) 列间精密空调配置国际先进的直流变频压缩机,具有效率高,能耗低,可精确匹配负载需求,达到精准制效果,更加节能减耗。
11) 强大的控制与通讯功能,标准配置RS485监控接口,支持Modbus通讯协议,具备轮值,远程开关机,群控,后台监控等功能;
12) 各冷量机组采用满柜式大型蒸发器,可在小巧的机组尺寸内实现更大的换热面积,换热效率高,且节省占地空间;
13) 灵活、强大的的定制化设计能力,具备多种深度、高度尺寸搭配,可以全面覆盖市场上各类数据中心机房的不同需求。
14) 标配 G4 空气过滤网,可清洗,便于维护,使用寿命长。标配过滤网风压差开关,可在过滤网发生堵塞时发出报警,提示过滤网清洗或更换。
15) 模块化设计及生产:采用业界领先的机房空调模块化生产平台生产,机组各功能组件全模块化柔性设计,配置灵活,多种配置可选,在提供柔性配置的同时也保证了质量和货期,避免了传统的个性配置需‘非标’生产带来的质量和货期问题。;
INCR系列机组技术特点详细说明:
1. 高显热比:
机房内电子设备释放出大量的显热负荷,针对机房特点结合产品性能优势可实现0.9以上的高显热比。
2. 高能效比:
1) 室内机系统采取直吹式设计,减少从回风到送风之间的换热距离,降低能量损失。充分保证了蒸发器表面风速的均匀性,满柜式蒸发器的换热效率比普通半柜式设计提升20%,系统风阻比倒流式吹风结构降低30%;
2) 加湿蒸汽直接送到风机进风口,确保湿蒸汽充分混合,避免出风口的凝露情况;
3) 加热布置在风机回风口,确保加热后的气流通过风机进行充分混合,避免出风口的局部热点出现;
4) 采用贴合蒸发器式过滤网设计,有效降低风阻,提高送风距离,减少冷量损失,同时提高了机组能效;
5) 能效比>3.0
3. 先进的微电脑控制器:

1) 先进的微电脑控制
2) 7英寸全中文彩色触摸LCD显示
3) 易操作的人性化界面
4) 具备温湿度曲线查看功能
5) 精确的微电脑控制系统
6) 多级密码保护,防止误操作
7) 具备运行状态图形化显示、故障自诊断功能
8) 记录各主要部件的运行时间
9) 具备快速除湿功能
10) 储存1000条以上历史告警信息
11) 具有来电自启动及延时设定功能
参数自动保护,即使停电后也可以保存运行参数和告警记录
4. 超强网络管理功能:
1) 配置标准的RS485监控接口
2) 兼容Modbus通讯协议,可现场组网调控
3) 强大的群控功能,可实现32台机组的群控
4) 实现机组自动切换、备份、轮流值班、避免竞争运行等功能
5) 方便的远程开关机和管理功能
6) 远程告警及查询和远程故障处理及消声
5. 易操作维护的结构设计:
INCR机组结构紧凑,只需很小的维修空间及地面空间,可实现正面维护,机组侧面不需要预留回风空间,机组维护方便易行,安装位置更灵活。
6. 高可靠性:
INCR机组的主要部件均由国内外知名厂商的供应,包括谷轮品牌涡漩式压缩机、施乐百EC风机、高精度电子膨胀阀等等,按照全年365天24小时不间断工作而设计制造,可长时间保障机组稳定运行,为设备机房提供稳定工作环境。
7. 适合恶劣电源环境的电控控制:
1) 为恶劣电源环境专业设计,输入电源电压适应范围为380V± 15%
2) 缺相保护、提示、告警功能,避免因缺相导致设备损坏
3) 相序检测、提示、告警、功能,避免因相序反导致烧压缩机。
4) 来电自启动功能中,具备延时启动功能,避免因来电闪断影响设备稳定性,或因多台设备同时开机导致前端供电开关因浪涌导致“跳闸”
8. 高能效比压缩机:

采用高能效比的谷轮(Copeland)公司的柔性涡漩式( SCROLL )压缩机。涡漩压缩机的活动部件的减少使机组的噪声及震动降低很多;压缩机的压缩过程连续、平稳;压缩机的排气过程旋转角度超过540度;在吸气及压缩过程中没有热量交换;在压缩过程中制冷剂气流方向没有改变;减少了气流损失;涡漩式压缩机无需高、低压阀门;减少了阀门容积损失,专利的动、静涡旋脱离技术可有效防止产生液击;启动电流低。同类压缩机能效比最高。
9. 高效精准的电子膨胀阀作为节流装置:

电子膨胀阀拥有超精准的控制技术,完美匹配CR空调的变频压缩机,增强了机组的全方面工作效率,更加高效节能。
10. 大风量高效后倾离心直联送风系统:

1) 大风量送风可以提供更高的显冷量以及更远的送风范围,避免机房内出现制冷死角、局部热点。采用高效率、长寿命的后倾离心风机(外转子,金属扇叶),满足机房全天候运行要求。
2) 风机配备选型方面,从可靠、精密、节能方面考虑,我司选取国际知名品牌施乐百的变转速离心风机。该形式风机具有启动平稳、转速可调、马达效率高等特点,变转速风机效率相对普通风机提升20%,风机转速随着机房负荷变化无极、线性、模糊调节,达到机房温湿度的精密控制;气流组织方面,采用单吸进风形式,配合满柜型型蒸发器设计,使气流组织更均匀、换热效率更高。并且风机稳定性高,使用寿命长,确保了机房安全运行。
3) 在有除湿需求时控制系统控制风机自动降低风机转速,快速除湿。

4) 高系统效率可有效降低运行费用
o 高的叶轮静压效率
o 最佳的空气流入流出条件
o 不需要均流装置
o 没有传输损失
o 马达0~100%速度可调
5) 结构简单,可靠性高,降低维护费用:
o 后倾式叶片叶轮,没有过载现象
o 开放式结构易于维护和清洗
6) 结构紧凑,节省安装空间-降低设备投资
7) 灵活多样的安装方式(室外机可垂直安装或水平安装)
11. G4过滤网

过滤网为G4级别高分子材料褶皱式过滤网。采用贴合蒸发器安装设计,这样设计风阻更小,机组能效比更高。且整体的过滤面积较放在进风口的过滤网要大许多,过滤网维护间隔也可以更长,降低维护工作频率。
12. PTC电加热器:

INCR列间精密空调采用PTC正温度系数陶瓷式电热器,具备正温度系数发热特点,可有效避免过热;且加热器采用耐高温电缆连接,可有效避免电缆因高温而老化,安全可靠。
13. 加湿器

INCR列间精密空调配带有带自动清洗功能电极式加湿器,具备功耗低、单位耗电量加湿量大、带自动清洗功能、维护简单的特点,且电极加湿将水装在封闭的罐体中,不会被空气中的微生物、杂质污染,即使长时间不加湿也不会因为微生物繁殖、杂质持续累积造成储水装置产生异味和难清理的沉积。
14. 变频室外机风机系统:
1) 采用变频控制技术,变频调速节能率高达30%,变频调速比传统的斩波调速更加节能,且可避免斩波调速造成的次声噪音;
2) 其机组框架由不锈钢连接件等级耐腐蚀铝材组成,一体式风机组合采用独特减震设计。
3) 维护要求极低的风扇电机适用于各种气候条件,
单/双制冷回路设计,适用于各种恶劣气候条件,可选择水平/垂直两种方式进行安装;
列间精密空调机组技术参数:
表格不好贴,暂时不贴出来了,有需要请关注公众号,找小编索取!
空调负荷计算
根据初步负载计算需求,机房采1台12.5KW的机架空调进行制冷。
气流组织形式
本次项目的设备布置采用业界主流实用的冷热通道分离,为最大化利用房间空间,同时采用单排部署的一个方式。空调为前面三侧送风,后回风;

仅供参考气流组织方向,机柜数量以项目实际为准。
机柜系统
概述
服务器机柜是数据中心的关键基础设施,主要用来安装服务器、存储等数据设备,及显示器等辅助设备。服务器机柜主要由机柜主体(又称机架)、前门、后门、侧板等组成,通过与电源、制冷、监控等模块集成,为柜内设备提供安全可靠的IT微环境。
设备机柜
机柜组成的主要部件有一个前门、一个后门、四根横梁、两个框架、四个立柱、四条方孔条、一个顶盖,可选配侧门、底板、脚轮及支脚等。
Ø 可靠性高

130°门铰
高机械强度及耐腐蚀性。
采用特有的高强度型钢焊接结构,保证机柜机械强度。
采用高强度冷轧钢板和热镀锌板,保证机柜机械强度及和耐腐蚀性。
后门板为双开钣金密闭门,门锁采用三点式,130°门铰,门的开启角度为130°。
机柜为前送风后出风机柜,采用上走线设计。机柜整体采用模块式拼装结构设计,可以并列安装。
Ø 采用优质冷轧碳钢板
机柜主体及相关附件(包含层板、门板、侧板、顶板,底板等)均采用优质冷轧钢板,用于紧固与装饰的螺母、螺栓、平垫圈、弹簧垫圈分别经镀锌处理,并符合GB/T 5267-1985标准中规定的2级要求。
机柜主要承重部件(主框架、横梁、安装角规)所使用钢板厚度均为1.5mm;前有机玻璃,后钣金门、顶板、底板、侧门、网线扎线板使用的钢板厚度为1.0~1.5mm。层板使用钢板厚度为1.2~2.0mm。
机柜自重不超过210kg,机柜整体静态承重不低于1800kg;
Ø L型支架

材料:采用优质电镀钢板,表面电泳加纳米技术处理。深度根据机柜深度可选。承重60KG、80KG、200KG可选。
19”(482.6MM)固定安装,用于直接螺丝固定安装在机柜内部角规上每套含固定安装附件
Ø 层板

材料:采用优质冷轧钢板,材料厚度1.2mm-2.0mm,表面电泳加纳米技术处理。深度根据机柜深度可选。承重80KG、120KG、300KG可选。
19”(482.6MM)固定安装,用于直接螺丝固定安装在机柜内部角规上每套含固定安装附件。
Ø 扎线板
材料:采用优质冷轧钢板,材料厚度1.2mm,表面电泳加纳米技术处理,
通过U 相关线缆布线而实现的高密度布局,可以安装在600mm宽机柜左右两侧,每侧最多可以容纳50-100根规格为1x2.5mm2的线缆。
Ø 水平理线器

材料:ABS工程塑料,1U、2U可选。
安装与19英寸机柜角规上,用于灵活规则的线缆铺设管理。
Ø 快拆盲板
材料:ABS阻燃塑胶件,1U,免工具安装和拆卸
19”(482.6MM)安装,作为封闭空白区域免工具安装件选购
Ø 外观
一体化数据中心配置的机柜尺寸统一,机柜符合19英寸标准,采用前后风道。

本方案由于采用前后封闭冷通道,故原机柜前网孔门已拆卸,由有机玻璃门替代。
监控管理系统
概述
本项目选择的是面向数据中心基础设施管理推出的新一代数据中心管理系统,实现对数据中心基础设施层的动力、环境、视频、门禁等设备的实时数据、设备状态、告警等的管理。同时支持各种机房视图和报表展现,用户可方便查看机房设备实时状态。使机房具备24小时无人值守的水平。
动环监控管理模块
一站式采购,即可轻松搞定机房里的动力环境系统

动环监控主机
为了保证系统的可靠性,监控系统采用深度定制的嵌入式ARM linux平台,可以有效隔离各种网络病毒侵害,从而有效地保障系统的安全稳定运行。
监控主机软件采用B/S架构,可以通过浏览器进行管理,无需客户端安装或加载控件。
内置高性能Web服务器,支持多并发的Web访问,可以实现多人同时登入查看数据;也便于各级管理人员的登陆。
内置硬件看门狗,系统意外死机可自动重启。
具备历史事件的存储功能及超长时钟的设计,确保系统的稳定、可靠。防止主机出现不可预见的故障或网络传输异常,可对设备的监控情况进行追溯。
系统支持多种形式的告警,具有4种告警联动机制(短信/电话语音/声光/邮件),设备的每一个告警都可关联不同的告警方式,并具备告警收敛功能,实现精准告警信息推送。
用户能够根据实际情况,对报警进行灵活设定。在对设备监控量设置中,可按照报警类型进行不同的设置。也可根据需要对相关告警量的阈值进行调整。
系统具有多用户管理权限,避免人员误操作。
具有账户密码找回功能,避免人员忘记密码又无法找回。
系统支持远程告警消音、旁路切换、电池自检等UPS功能。
支持精密空调远程控制功能如设定制冷点、开关机及温湿度设置等
完善的历史记录,并且具有事件处理记录功能,可导出形成报表。
具备时间一键同步功能,无须繁琐设置。
支持PUE管理、能耗管理和电量统计等功能。
支持ModbusTCP、SNMP协议,可实现与第三管理集平台对接;也可实现云端物联网平台监控等对接。
支持Android和IOS系统手机APP,可远程实时监控管理机房。
监控界面

UPS监控系统
系统兼容维帝(艾默生)、施耐德、华为等世界知名品牌的UPS。对UPS内部整流器、逆变器、电池、旁路、负载等各部件的运行状态进行实时监视,一旦有部件发生故障,系统会自动报警。并且实时监视UPS的各种电压、电流、频率、功率等参数。监控可全面诊断UPS状况,监视UPS的各种参数。一旦UPS报警,越限参数将变色,立即进行相应的告警联动。
监控界面

电池监控系统
根据不同的场景配置需求,可分为电池整组监测和电池单节监测,整组监测可检测电池组总电压、总电流、电池组容量百分比、剩余放电时间、充放电状态、电池组寿命衰减比等电池情况。单节监测则能够精确到每节电池的电压、电流、温度和内阻。
监控界面

供配电监控系统
供配电监控(精密配电、智能配电、PDU)系统包括对供配电系统、重要支路、开关的监测。可查看所监测配电线路的参数(测量三相线电压、三相相电压、三相电流,有功功率,无功功率,视在功率,功率因数、用电量等)。如果某参数超出设定范围,系统可通过邮件、声光、电话语音或者短信报警。状态指示灯交替闪烁显示报警,可以显示详细报警信息。全面监视每个支路开关的开关状态情况,实现即时报警。为提高机房设备供电的可靠性,当监控系统检测到开关跳闸,发生故障或者非法动作等不正常情况时,将自动通过预设的报警方式通知相关人员,避免造成更大的损失。
监控界面

监控界面

精密空调监控系统
系统兼容维帝(艾默生)、世图兹、华为等世界知名品牌的精密智能空调,实时监视空调各部件(压缩机、风机、加热器、加湿器、去湿器、滤网等) 的运行状态与参数,并可远程修改设置与开关空调(需根据各生产厂商提供的全部监控功能实现)。此系统所实现功能如下:压缩机状态、风机状态、加湿器状态、除湿器状态、加热器状态、空调的送回风温度、湿度值。
精密空调监控系统
系统兼容维帝(艾默生)、世图兹、华为等世界知名品牌的精密智能空调,实时监视空调各部件(压缩机、风机、加热器、加湿器、去湿器、滤网等) 的运行状态与参数,并可远程修改设置与开关空调(需根据各生产厂商提供的全部监控功能实现)。此系统所实现功能如下:压缩机状态、风机状态、加湿器状态、除湿器状态、加热器状态、空调的送回风温度、湿度值。
监控界面


温湿度监控系统
实时监测机房的温度和湿度参数,在系统总览界面上以机房地图的方式直观地显示现场的温湿度,并可对温湿度进行实时显示及查询,可自行设定温湿度上下限阀值,可自由设定其告警联动方式。
监控界面


消防监控系统
通过在各个区域安装烟雾检测探头,检测烟雾的情况一旦监测到烟雾产生,将自动通过预设的报警方式通知相关人员,避免造成更大的损失。
监控界面

防盗监控系统
为防止机房有入侵者进行破坏或者允许时间之外有其他员活动,需对进入机房的人员进行严格控制,而且需要排除由小动物引起的误报警。在设防时间内,一旦有人入侵,系统将自动报警。在重要的通道关口安装双鉴探头,双鉴探头为人体感应、微波感应等智能探头,可准确判断入侵情况的发生。
监控界面

漏水监控系统
一旦发生漏水,监控系统能及时显示漏水发生的信息。并在地图显示上面能够精确的显示发生漏水的地点。系统本身包括:漏水控制器、漏水感应绳及其他辅助设备,系统可检测感应线上任何点的漏水位置并有发出报警。
监控界面

门禁监控系统
门禁系统属于典型的数据中心自动控制系统,其工作流程为:首先通过管理软件,在控制器内设置人员的出人权限;然后将设置参数通过线路下载到现场控制器,控制器按设置的权限对门进行出入控制,不需要始终连接电脑。
监控界面

视频监控系统
视频监控系统是整个监控管理系统中的重要组成部分,是在网络环境的基础上实现分控功能的子系统。系统组成由前端的网络摄像机将前端的图像进行采集然后再进行编码,然后通过网线及交换机,汇聚于网络视频录像机(NVR)进行压缩并存储于硬盘中,基于PC的监控客户端业务软件可以图像浏览、录像回放、辅助设备控制等功能。从而达到处于管理平台上的各级各地、随时随地通过网络环境监管机房/微模块的运营状况。
监控界面

配置清单
表格不好贴,暂时不贴出来了,有需要请关注公众号,找小编索取!

需要上门解决问题时,请及时联系我们!




