暂无图片
暂无图片
暂无图片
暂无图片
暂无图片
TP4059.pdf
225
12页
1次
2022-09-22
免费下载
南京拓品微电子有限公司 TP4059
南京拓微集成电路有限公司
NanJing Top Power ASIC Corp.
数据手册
DATASHEET
TP4059
(600mA 线性锂离子电池充电器)
概述、特点、典型应用-------------------------------------------------------------------------------------P2
管脚、特性指标----------------------------------------------------------------------------------------------P3
引脚功能说明-------------------------------------------------------------------------------------------------P5
充电电流大小设置、电池反接保护功能----------------------------------------------------------------P7
充电指示状态、无电池连接指示状态-------------------------------------------------------------------P8
多种典型应用图、使用注意事项-------------------------------------------------------------------------P12
南京拓品微电子有限公司 TP4059
特点
·锂电池正负极反接保护;
·高达 600mA 的可编程充电电流;
·无需 MOSFET、检测电阻器或隔离二极管;
·用于单节锂离子电池
·恒定电流/恒定电压操作,并具有可在无过热危
险的情况下实现充电速率最大化的热调节功能;
·可直接从 USB 端口给单节锂离子电池充电;
·精度达到±1%的 4.2V 预设充电电压;
·最高输入可达 9V;
·自动再充电;
·2 个充电状态开漏输出引脚;
·C/10 充电终止;
·待机模式下的供电电流为 145uA;
·2.9V涓流充电器件版本;
·软启动限制了浪涌电流;
·采用 6 引脚 SOT-23 封装。
应用
·充电座、移动电源
·蜂窝电话、PDAMP3播放器
·蓝牙应用
典型应用
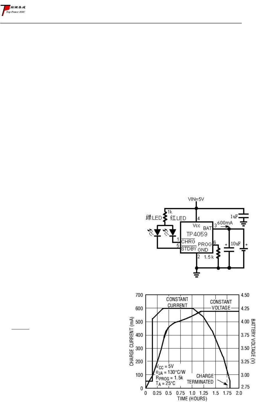
600mA 单节锂离子电池充电器
绝对最大额定值
·输入电源电压(V
CC
:-0.3V~9V
·PROG:-0.3V~V
CC
+0.3V
·BAT:-4.2V~7V
·
CHRG
:-0.3V~10V
·BAT 短路持续时间:连续
·BAT 引脚电流:600mA
·PROG 引脚电流:800uA
·最大结温:145℃
·工作环境温度范围:-40℃~85℃
·贮存温度范围:-65℃~125℃
·引脚温度(焊接时间 10 秒):260℃
600mA 电流完整的充电循环(600mAh)
描述
TP4059 是一款完整的单节锂离子电池充电器,带电池正负极反接保护反接,具有
更大 600mA 的充电电流,更稳定的电流一致性。其采用恒定电流/恒定电压线性控制,
SOT 封装与较少的外部元件数目使得 TP4059 成为便携式应用的理想选择。TP4059 可以
适合 USB 电源和适配器电源工作。
由于采用了内部 PMOSFET 架构,加上防倒充电路,所以不需要外部检测电阻器和
隔离二极管。热反馈可对充电电流进行自动调节以便在大功率操作或高环境温度条件
下对芯片温度加以限制。充满电压固定于 4.2V而充电电流可通过一个电阻器进行外部
设置。当电池达到 4.2V 之后,充电电流降至设定值 1/10TP4059 将自动终止充电。
当输入电压(交流适配器或 USB 电源)被拿掉时,TP4059 自动进入一个低电流状
态,电池漏电流在 2uA 以下。TP4059 的其他特点包括充电电流监控器、欠压闭锁、自
动再充电和两个用于指示充电结束和输入电压接入的状态引脚。
of 12
免费下载
【版权声明】本文为墨天轮用户原创内容,转载时必须标注文档的来源(墨天轮),文档链接,文档作者等基本信息,否则作者和墨天轮有权追究责任。如果您发现墨天轮中有涉嫌抄袭或者侵权的内容,欢迎发送邮件至:contact@modb.pro进行举报,并提供相关证据,一经查实,墨天轮将立刻删除相关内容。

评论

关注
最新上传
暂无内容,敬请期待...
下载排行榜
Top250 周榜 月榜